Conveyor Scale(CE Series)
To respond to our user's diverse software and hardware requirements, Kamacho Scale Co.,Ltd. offers various belt conveyor scales to integrate a series of processes such as weighing, calculation and control.

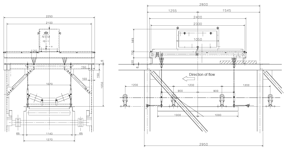
CE-BU type
Belt conveyor with load sensor installed on the upside.


CE-BL type
Belt conveyor with load sensor installed on the downside.


CE-NL type
Standard beltless conveyor




Standard specifications
- Weighing range : 0.5t/h~600t/h
- Accuracy of weighing unit : ±0.5%
- Accuracy of control unit : ±0.5%
- Temperature range : 0~40℃
- Power source : AC100V 50/60Hz
Options
- Comulative weight indication
- Comulative weight indication & manual printing device
- Instant conveying volume indication
- Instant conveying volume indication & alarm device
- Instant conveying volume recorder
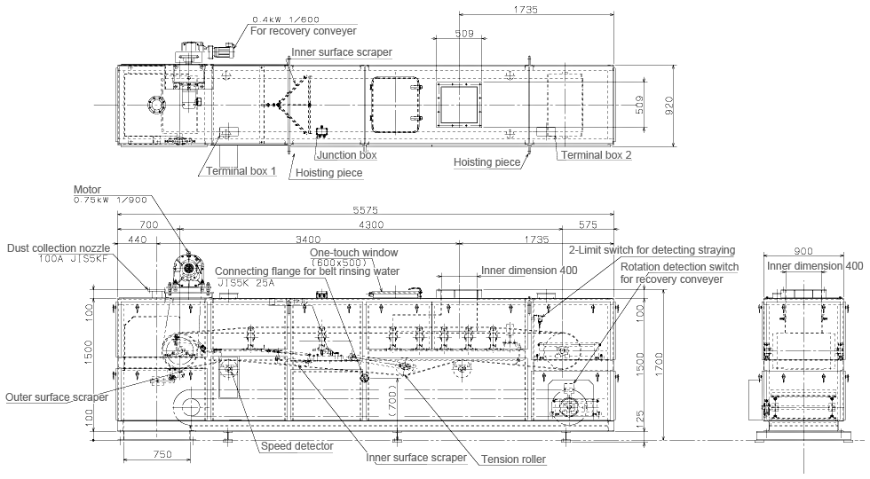
Control Unit LC-5500
This is a new high-performance unit that brings out the capabilities of the feeder 100%. It comes equipped with clear and prominent digital displays. Making settings is easy and secure while viewing the display. All the information needed for continuous measurement have been integrated in this compact unit. The standard control panel is a compact wall-mounted type.
Major Specifications
- Type: LC-5500
- Analog section
- Zero-span adjustment and fully automatic adjustment
- Accuracy (linear): 0.01%/FS
- A/D converter: high-speed, high-resolution ratiometric system
- Display section
- Weight display: 5-digit (high-intensity fluorescent display lamp)
- Instant conveying volume display: 5-digit (high-intensity fluorescent display lamp)
- Settings and warning display: 20 characters x 2 rows (character display lamp)
- Status display: LED display lamp
- Setting section
- Setting device: membrane keys with key clip buzzer
- Setting method: Function key + ten-key
- Storage of setting values: E2-ROM (non-volatile) S-RAM (with backup battery)
- Option: CCLINK interface
